五杆行星轮系动力耦合装置
2019年06月05日 11:13         所属学院: []          点击:


湖南省大学生研究性学习和创新性实验计划

项  目  申  报 

 

项目名称:              

  • 如果您无法在线浏览此 PDF 文件,则可以

  • 下载免费小巧的 福昕(Foxit) PDF 阅读器,安装后即可在线浏览  或

  • 下载免费的 Adobe Reader PDF 阅读器,安装后即可在线浏览  或

  • 下载此 PDF 文件

学校名称

云顶国际vip8866

学生姓名

学  号

专      业

性 别

入 学 年 份

李昊轩

201521030412

机电一体化

2015年

何恒健

201521030432

机电一体化

  男

2015年

谢聪

201521030427

  机电一体化

  男

2015年

 

 

 

 

 

指导教师

刘志强

职称

副教授

 

陈建兵

职称

助理工程师

项目所属

一级学科

机械工程

项目科类(理科/文科)

理科

学生曾经参与科研的情况

本团队成员均参加 全国大学生机械创新大赛(进行中)

湖南省工程模型大赛(三等奖)

   谢聪:第十届全国大学生节能减排科学竞赛国家二等奖

指导教师承担科研课题情况

(1) 国家自然科学基金面上项目“分布式驱动电动汽车动力学仿真软件集成开发与应用”,主持,2016-2019。

(2) 交通部基础应用研究项目“基于能量回收效率与制动安全的纯电动汽车电液复合再生制动机理研究”,主持,2013-2015。

项目研究和实验的目的、内容和要解决的主要问题

 

课题研究目的

全球化石能源的逐渐匮乏,自然环境的不断恶化越来越受到人们的关注。而对其影响最大的就是汽车产业,传统的车辆对石油的巨大依赖,排放也对大气造成污染,为此,发展低油耗,低排放的混合动力汽车刻不容缓。混合电动汽车兼具内燃机汽车和纯电动汽车的优点,现有的很多家汽车生产商都积极发展混合动力汽车,也正说明了混合动力汽车将会是不久未来的主流趋势。

目前世界各国研究开发的混合动力电动汽车,根据其驱动系统的配置和组合方式不同可分为3种方式:并联式(Parallel Hybrid)、串联式(Series Hybrid)、混联式(Series-parallel Hybrid)。其中混联式效率较高,可使发动机在大部分转速下工作在高效区,且可实现多种控制策略,能够适应多种不同工况循环。

我们的目的是找到一种合适的机构,使发电机和发动机能够以一种最合适的方式运行以降低油耗和排放。设计制造能满足混联式混合动力电动客车缩小比例的五杆行星轮系动力耦合传动系统

 

Ⅱ、项目内容

设计制造缩小比例的五杆行星轮系动力耦合传动系统要实现的模式:

(1).发动机启停模式 (2).纯电动模式 (3).发动机与电动机联合驱动模式 (4).发动机单独驱动模式 (5).再生制动模式

经过方案的设计与优选,我们确定了耦合传动系统的结构简图如图1.1所示。

 

 

 

 

 

 

图1.1

 

经过转化我们得到耦合传动系统的原理图如图1.2所示。

 

 

 

 

 

 

 

 

 

 

1.2原理图

该耦合传动系统在不同工况下的原理描述:

2.1 启动工况

1)过程描述:

点火钥匙打到start挡,MG1立即带动动发动机到1000转左右,并开始点火喷油,直至发动机水温(ECT)和氧传感器达到工作状态。同时比对预设的SOC值,如果检测到SOC低于其设定的目标值,发动机就会给蓄电池充电,同时也提高了发动机的负荷;否则,发动机停止运转。

2)工作状态:

蓄电池驱动MG1作电动机,带动太阳轮1正向转动(定义顺时针为正,以下同),行星架同行星轮由一个转动副连接,车不动,太阳轮2不动,行星轮自转不动,MG2不动。因此太阳轮1可以带动行星架,进而带动发动机启动。

3)能量流动:

发动机起动后,SOC较低时对蓄电池充电;SOC较高时,停止充电,并且关闭发动机。

2.2 起步工况

1)过程描述:

起步时,视车况及起步要求分两种情况:

1当发动机已热且SOC高时,发动机无需起动而直接由动力蓄电池驱动MG2运行,即纯电动模式运行。

2起步加速度要求较大时,轻踏油门,负荷加大,发动机转速提高,但不会太高,因为此时车速很低,转速过高,MG1就会过速。此时,MG2处于低速高扭矩区,提供大部分起步扭矩。

2)工作状态:

发动机提供主要的动力,拖动行星架转动,同时带动太阳轮1和太阳轮2。太阳轮1带动MG1为发电机给电池充电,行星轮再将动力传给太阳轮2输出。MG2为电动机,提供起动扭矩。其中,发动机扭矩的70%分配到行星轮上再经太阳轮2传递到车轮,30%分配到太阳轮1上并驱动MG1发电,而大部分的起动扭矩来自MG2

2.3 加速和爬坡工况

1)过程描述:

在一定车速节气门开度下,车辆进行加速或爬坡,电控单元会根据已有的控制策略,计算当前实际车况功率需求和蓄电池SOC,如果随着加速踏板的深度加深,发动机提高转速增大负荷,则单独由发动机工作;当发动机单独工作不能满足功率要求时,由动力蓄电池给电机供电,输出辅助功率。

2)工作状态:

行星架和太阳轮2都作正向转动,MG1作发电机,MG2作电动机。当车速上升,MG2的转速也上升;发动机转速上升到一定值,MG1转速就会下降直至反转到其极限转速。行星齿轮无级变速结构,加速时车速提高,通过MG1转速下降到零并开始反转来使车速继续提高,而发动机的转速可以稳定在高效区,因而实现无极变速(CVT)。

2.4 巡航工况

1)过程描述:

1正常SOC范围内,车辆低负荷状态,发动机一边驱动车辆,一边驱动MG1发电,给蓄电池充电。

2正常SOC范围内,车辆高负荷状态,发动机一边驱动车辆,一边驱动MG1发电,同时一部分电能用于驱动MG2

3SOC较高,车辆高负荷状态,发动机一边驱动汽车,一边驱动MG1发电,并把所有的电能用于驱动MG2,以满足功率要求。

4正常SOC范围内,车辆全负荷运行时,蓄电池同时给MG1MG2供电,满足峰值功率需求。

2)工作状态:

此时太阳轮1可能正转也可能反转,根据具体车速确定,行星架和太阳轮2正向转动,MG1作发电机,MG2作电动机,全负荷运行时MG1也作为电动机。

3)能量流动:

MG1发电经过逆变器转换后给蓄电池充电,同时蓄电池给MG2提供电能,MG2输出功率和发动机分配到太阳轮2的功率一起输出到车轮。

2.5 滑行工况

1)过程描述:

车速一定,松开油门,即进入了滑行模式。由于存在滚阻和空阻,车速逐渐下降。传统汽车的发动机此时仍然通过传动系与车轮相连,拖着发动机继续运转,即发动机制动(Engine Braking)。此时MG2为发电机并为蓄电池充电,通过MG2产生的拖拽力来模仿发动机制动。

2)工作状态:

太阳轮2转动,带动MG2作发电机,行星架正向转动或静止,太阳轮1反向转动,MG1也发电。高速滑行时,如果发动机停转,行星架静止将会导致MG1过速,所以将MG1设计成发电机给蓄电池充电,并使行星架正向转动。

3)能量流动:

1高车速时,为了MG1不过速,发动机需要正向运转,MG2模拟发动机制动发电给电池充电,MG1反转发电给电池充电。

2低车速时,MG1不会过速,发动机可以停转,MG2模拟发动机制动发电给电池充电,MG1也可以充电。

2.6 制动工况

制动工况与滑行工况类似,不同的是滑行时仅由电动机和发动机提供制动力,而在制动工况下,为了达到理想制动力曲线,需要前后轮的液压系统提供额外的制动力补足仅由电动机和发动机产生的制动力。理想制动力曲线如图1.3所示。

 

 

 

 

 

 

 

 

 

 

1.3理想制动力曲线

2.7 低速纯电动工况

1)过程描述:

车速较低且SOC较高时,发动机无需起动,动力蓄电池提供能量,由电机驱动车辆运行。

2)工作模式:

太阳轮1反转,行星架不动,太阳轮2正向转动。MG1反转,MG2为电动机驱动车辆。

2.8 倒车工况

1)过程描述:

倒车时关闭发动机,采用纯电动模式。

2)工作模式:

太阳轮1正向转动,行星架不动,太阳轮2反向转动。MG1自由转动,MG2作电动机。

要完成上述原理的要求,我们需要按如下几个步骤完成:

1.五杆行星轮系齿轮设计

(1)选取行星齿轮减速器的传动类型和传动简图

(2)行星齿轮传动的配齿计算

1.传动比条件2.邻接条件3.同心条件4.安装条件

3行星齿轮传动主要参数初算

1.通过齿面接触强度算小齿轮分度圆直径2.按齿根弯曲强度初算齿轮模数

(4)齿面接触强度校核计算

1.齿面接触应力2.许用接触应力3.强度条件4.有关系数和接触疲劳极限

(5)齿根弯曲强度的校核计算

1.齿根应力2.许用齿根应力3.强度条件4.有关系数和弯曲疲劳强度5.齿轮计算结果

2.五杆行星轮系轴设计

(1)输入轴上的功率P,转速n和转矩T(2)轴上零件的定位方案(3)各个轴段的直径和长度的确定(4)提高轴的强度的方法(5)轴的结构工艺性

3.制造装配

 

Ⅲ、要解决的主要问题

1让来自不同动力源的动力单独输出驱动HEV,或让多个动力共同输出驱动HEV,使彼此之间不发生干涉,提高传动效率。

(2)设计出最适合本课题的五杆行星轮系类型。

3)由于是传动系,齿轮和轴等零件的强度和刚度都有一定要求,需要找出具有合适力学性能且经济效率的传动系。

 

国内外研究现状和发展动态

动力耦合装置的研究现状

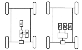
动力耦合装置实现对不同动力源的整合输出有三种可选的合成方式,即:转矩合成模式、转速合成模式和功率合成模式。其中功率合成模式可以自动适应转速,而且在动力切换的同时不产生明显的冲击,所以更具有优越性而被广泛使用。利用功率合成模式制造出的混合动力汽车,混合动力的工程机械,以及多源动力的军用机械都有很好的应用。混合动力电动汽车动力耦合装置按其布置形式的不同可分为分散耦合和集中耦合两大类。其中分散耦合,是说混合动力电动汽车上的发动机和电动机都有各自的传动线路,两者不干涉,分别将自己的动力通过独立的线路传给汽车的驱动轮。分散耦合根据其结构不同还可以细分为两种模式,中置电机式和轮毂电机式,如图2.1所示。中置电机式需要特定的差速器和与之匹配的驱动桥才能实现功能,相对结构复杂成本高,不利于使用;而轮毂电机的结构较为使用,但是受制于轮毂电机的设计生产,由于车用轮毂电机没有完全推广,它的应用也比较少。

 

 

 

 

 

 

(a)中置电机式       (b)轮毂电机式

E—发动机;M—电动机;B—蓄电池

2.1 分散耦合模式

集中耦合方案根据结构形式的不同也可以分为两种模式,即轴耦合式和耦合器耦合式,如图2.2所示。轴耦合式结构其实是比较复杂的,因为在发动机和电动机之间的结构比较复杂,除了必须的离合器和变速器,还需一个实现单向离合的单向离合器,在纯电动工况的时候,可以让电动机独立成为一个单独的系统。轴耦合式有个不足,就是电动机和发动机都有动力输出的时候很难实现传统的变速操控,必须要使用自动变速器或无级变速器。

 

(a)轴耦合式       (b)耦合器耦合式

E—发动机;M—电动机;B—蓄电池

2.2 集中耦合模式

上述的四种动力耦合方式各有特点,其中分散耦合方案中的轮毂电机方式虽然受制于轮毂电机的发展,没有得到很好的应用,但是随着以后大功率车用轮毂电机技术的发展,轮毂电机驱动将会凭借它的诸多优点成为主流趋势。现在的耦合器耦合模式技术较为成熟,所以在混联式和并联式的混合动力汽车中有较多的应用。

丰田汽车汽车公司很早就对HEV,即混合动力汽车有了深入的研究,早在1997年的时候,丰田就推出了第一款混合动力汽车pruis(普锐斯),到2005年的时候又推出了2006款的pruis(普锐斯),这款车型搭载了最新的第三代机电混合动力系统,仍然是THS混联结构。通过精密的行星齿轮变速机构对发动机和电动机输出的功率进行分配,从而使发动机的负荷分配更为平衡合理,结构如图2.3所示。此结构中,发动机将动力输出到行星架,通过行星轮将动力传给太阳轮和外齿圈。齿圈和一个电动机和最终的输出轴相连,而太阳轮连接着一个发电机。通过行星轮系的分配,大部分的动力直接经齿圈传递到输出轴,小部分的动力传递给太阳轮,供发电机的发电使用。发电机发出的电能根据不同的工况用于给蓄电池充电或者给电动机驱动。而且调节发电机的转速可以控制发动机的转速,使其一直处于高效率的工况也可以实现无级变速

 

 

 

 

 

 

 

 

2.3 THS混合动力系传动示意图

2005年的底特律车展上,戴姆勒·克莱斯勒公司展出了一款搭载V8柴油发动机和最新混合动力驱动的S级奔驰车,它的混合动力耦合系统由两台电动机和一个7档自动变速器组成,如图2.4,它在发动机和变速器中间布置了两台电动机和离合器。在启动工况时,靠近发动机的电动机负责发电,而靠近变速器的电动机负责驱动车辆。在慢慢加速的时候可以和离合器联动,这样可以实现平稳行驶,符合高级轿车的性能特点。车辆总体设计紧凑,优雅而大气。

 

 

 

 

 

2.4奔驰双模式混合动力系统

、发展动态

国内外对于动力耦合装置的研究主要集中在混合动力汽车方面。Yang 等对混合动力汽车双电机用行星轮系动力耦合功率分流系统进行了理论和仿真研究,论证了该动力耦合装置适用于双模驱动系统中。KIM 等根据 4节点杠杆模型原理,对混合动力汽车用动力耦合装置从传动比和传动效率方面对汇流、分流和混流系统进行了理论分析和比较,设计了 2 种汇流和混流式双模驱动系统理论模型。HAN 等将混合动力驱动系统应用到货车上,利用 advisor 软件分别建立了传统驱动系统、串联驱动系统和并联驱动系统,通过配置不同的电机,对各种驱动系统进行了经济性和加速特性比较以及循环工况损失路程比较。[2]日本丰田公司研发的混联式动力耦合装置THS,成功应用在prius车上,并实现产业化发展。高建平等对混合动力汽车动力耦合装置从机电耦合角度进行分类和分析,比较了各类耦合器的优劣。崔星和项昌乐对混合动力汽车用单行星排机电混合无级变速动力耦合器装置的分汇流系统进行了研究,并从使用性能角度对该装置各工作模式的结构进行了优化选择。朱福堂等对应用于动力耦合装置的行星齿轮机构进行了方案设计及优选,并提出了评价指标和评价方法。何耀华等分别设计了各自的功率分流耦合机构,并对其工作特性进行了分析。

HEV包含多个互相藕合的动力源,应根据车辆的具体结构和使用情况采用不同的布置方案。串联式和并联式HEV都有各自的优缺点,混联方式是相对比较完善的一种混合动力系统,它能较好地将燃油汽车与电动汽车的优点有机统一起来,(电动机效率高、噪声低、无污染,发动机总在最高效率下工作,具有很好的燃油经济性、加速性和平稳性),能够有效地弥补串联式和并联式混合动力汽车的不足。所以今后开发的新型混合动力系统应综合串联和并联结构的优点,使之在一种结构上得到体现,现在许多的企业和科研单位逐渐将混联式混合动力电动汽车列为开发重点。

目前,混合动力汽车动力系统包含3种型式:具有怠速关机、快速启动功能的轻混合;具有快速启动、电动助力功能的中混合;以混联式为特征的重混合。随着电功率比例的逐步提高,混合程度不断增强,混合动力系统最终将实现全混合。

为使整车结构更紧凑,性能更优、更可靠,便于控制和有效降低成本,混合动力系统已从离散结构向发动机、电机和变速器模块化和一体化方向发展,即集成化混合动力总成系统,采用模块化设计思想进行动力耦合系统的集成化设计和综合管理控制,以实现整车总体.设计和模块化设计,是今后动力耦合系统的发展方向。

此外,采用CVTAMT也成为混合动力系统发展的一个方向。由CVT来选择发动机的高效工作点,优化发动机的工作特性,用较小的电动机确保所需要的驱动转矩,同时减小逆变器与驱动用蓄电池的体积,由此降低成本、提高装车性,同时显示出采用混合动力系统的节油效果。对典型的混合动力汽车来说,从提高效率的角度考虑,AMT是最好的选择,这是由于手动变速器与自动变速器相比可以使总效率提高8%以上。未来的动力藕合系统会采用更多的控制策略,对控制策略进行优化是目前的一个发展方向。采用控制策略,并配备专门的管理模块,根据车辆不同的状态和驱动需求采取符合要求的驱动模式,达到最佳的经济性和排放性。动力系统如内燃机、电机在工作状态切换工程中,采取合适的控制方法,使切换动作迅速完成并使整个动力系统的动力输出变化平稳。目前控制策略(尤其并联式混合动力汽车)还不十分成熟。由于混合动力汽车运行模式比较复杂,控制策略不仅仅要实现整车最佳的燃油经济性,同时要考虑适应汽车各种运行工况,兼顾发动机排放、电池寿命、驾驶性能、各部件可靠性以及成本等多方面要求,并针对汽车各部件的特性进行综合控制。兼顾各方面要求进行控制策略的研究是今后工作的重点和难点。

 

本项目学生有关的研究积累和已取得的成绩

Ⅰ、研究积累:本团队成员均参加过湖南省工程模型竞赛对Solid works、CAD、Ansys等建模和分析软件能熟练运用。李昊轩和何恒建已过英语六级能独立翻译英语文献,其中李昊轩曾担任云顶国际vip8866F1方程式赛车队车手和传动组成员,担任期间就已经熟练掌握建模并经常查阅英文资料。何恒建在航空模型协会中担任重要职务,对电路的设计控制以及软件的编程有深入的了解。谢聪在赛伯瑞担任干事,多次参加各项比赛,并取得优异成绩。

Ⅱ、已取得的成绩:湖南省工程模型竞赛三等奖

                  第十届全国大学生节能减排科学竞赛国家二等奖

 

项目的创新点和特色

Ⅰ、创新点:耦合方式的输出转矩与转速分别是发动机与电机转矩和转速的线性和,因此发动机的转矩和转速都可控。 采用该耦合方式的混合动力汽车,发动机的转矩和转速都可以自由控制,而不受汽车工况的影响。因此,理论上可以通过调整电机的转速和转矩,使发动机始终处在最佳油耗点工作。但实际上,频繁调整发动机工作点也可能会使经济性有所下降,因此通常的做法是将发动机的工作点限定在经济区域内,缓慢调整发动机的工作点,使发动机工作相对稳定,经济性能提高。采用功率耦合方式的混合动力电动汽车理论上不需要离合器和变速器,而且可实现无级变速。与其他耦合方式相比无论是对发动机工作点的优化,还是在整车变速方面,都更具优越性。相比于THS混合动力系统,该设计结构更加简单强度更高,成本低廉且能适用于大型乘用客车等负载大的场合。

Ⅱ、特色:可以实现不同动力的耦合,并且利用差动轮系两个自由度的特点,配合电动机控制,从而实现无级变速。

 

项目的技术路线及预期成果

Ⅰ、技术路线

1.调研、收集资料。

2.外文翻译,开题报告。

3.传动系原理分析,行星轮系方案设计。

4.绘制整体的装配图。

5.行星轮系齿轮设计和行星轮系轴设计。

6.对齿轮强度的校核计算并进行零件图设计。

7.制造与装配。

Ⅱ、预期成果

1.发表论文一篇;

2.设计并制造一套五杆行星轮系动力耦合装置

 

年度目标和工作内容(分年度写)

工作计划

1.准备阶段(2018.3-2018.6):做好前期准备工作,完成有关资料的搜集,为每个成员分配任务。

2.设计阶段(2018.7-2018.12):完成五杆行星轮系动力耦合装置的设计,包括Solid works三维实体的建模和AutoCAD二维图纸绘制。

3.制造阶段(2019.1-2019.4):进行五杆行星轮系动力耦合装置各个部件的制造与装配。

4.结题阶段(2019.5-2019.6):做好后期结题工作,包括申请专利、发表论文和撰写结题报告等工作。

 

 

指导教师意见

 

 

 

 

 

 

 

 

 

 

 

 

 

 

 

 

 

签字:                   日期:

 

注:本表栏空不够可另附纸张